Сибирский Арсенал Гранит-12 с IP регистратором событий Охранные приборы на 10 и более шлейфов в Уфе
Артикул: 4224
12 541.70 руб. / шт
14 520 руб. / шт
-14% Экономия: 1978 руб.
Удаленный склад, на заказ: 2-3 дня.
Заказы обрабатываются в рабочие дни с понедельника по пятницу с 10:00 утра и до 17:00 вечера.
Если вы оформите заказ после 17:00, в выходные или праздничные дни, он будет обработан на следующий рабочий день начиная с 10:00 утра.
Интернет-магазин "Техноком Групп" осуществляет доставку данного товара в Уфе. Для Москвы и области возможен самовывоз из офиса компании.
Наша компания более 10 лет на рынке, имеем огромный опыт. Проконсультируем по любым вопросам, подберем аналог, комплектуем системы под ключ.
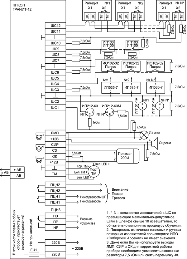
Прибор предназначен для автономной и централизованной охраны объектов, оборудованных электроконтактными и токопотребляющими охранными и пожарными извещателями. Прибор сообщает о происходящих на объекте событиях и обеспечивает включение устройств оповещения и передачу извещений на пульт централизованного наблюдения.
Приборы могут выдавать 9 видов извещений:
«Норма» - передается замкнутым состоянием контактов реле ПЦН;
«Тревога» - при срабатывании извещателя в охранном ШС;
«Внимание» - при срабатывании одного извещателя в пожарном ШС;
«Пожар» - при срабатывании двух извещателей в пожарном ШС;
«Неисправность» - при коротком замыкании или обрыве пожарного ШС;
«Сеть» - при наличии напряжения в сети;
«Резерв» - при переходе прибора на питание от аккумулятора;
«Разряд» - при автоматическом отключении аккумулятора после его разряда до уровня 10,5 В;
«Вскрытие» - при попытке снять крышку прибора.
Особенности
12 шлейфов сигнализации (ШС), которые могут быть как охранными, так и пожарными
Может работать по одной из десяти встроенных тактик применения. Тактика работы прибора выбирается с помощью установленных на плате перемычек
Управление вентиляцией
Дополнительные возможности свободного программирования прибора с помощью программы «Конфигуратор Гранит» при подключении прибора к компьютеру кабелем USB AM/miniB
Прибор контролирует состояние ШС по величине их сопротивления
Поддержка работы с ключами Touch Memory
Передача тревожных извещений на ПЦН по двум каналам выполняется разрывом линий ПЦН с помощью контактов реле
Возможность постановки на охрану и снятия с охраны любого ШС по отдельности нажатием кнопки этого ШС. Постановка/снятие на охрану ШС подтверждается коротким звуковым сигналом
Функция обучения ШС позволяет увеличить токовую нагрузку ШС до 2 мА
Реализован режим охраны с "закрытой дверью" по первому ШС
Для быстрой диагностики индикации есть кнопка "Тест", при нажатии которой проверяется работоспособность светодиодных индикаторов состояния ШС и внутреннего звукового преобразователя
Прибор имеет встроенный источник резервного питания. Для продления срока службы аккумулятора есть электронная защита от глубокого разряда аккумулятора
Электромеханическая блокировка органов управления режимами работы для защиты от несанкционированного управления прибором
Может работать с интеллектуальным оповещателем «Призма-200И»
Обеспечивается работа с токопотребляющими извещателями с напряжением питания 10-25 В. Отдельный выход 12 В для питания извещателей, защищённый от короткого замыкания
IP-регистратор событи
Встроенные часы реального времени.
Для доступа к WEB интерфейсу может использоваться одна из двух учетных записей: учетная запись «Администратор» или учетная запись «Пользователь».
Учетная запись «Администратор» позволяет управлять прибором удаленно, изменять все настройки (в т.ч. изменение логина и пароля для авторизации) и просматривать текущее состояние прибора.
Учетная запись «Пользователь» позволяет управлять зонами, реле ПЦН и просматривать текущее состояние прибора.
| Информационная ёмкость (кол-во шлейфов) | 1 |
| Информативность (кол-во видов извещений) | |
| Напряжение на входе ШС при номинальном сопротивлении шлейф | 19...20 |
| Суммарная токовая нагрузка в шлейфе в дежурном режиме, не боле | 2 м |
| Ток потребления по выходу «12В» для питания извещателей, не боле | 400 м |
| Регистрируются нарушения пож./охр. шлейфа длительностью, боле | 350 м |
| Не регистрируются нарушения пож./охр. шлейфа длительностью, мене | 250 м |
| Диапазон рабочих температу | -30...+50 ° |
| Относительная влажность воздуха при температуре +35 °С, без конденсации влаги, не боле | 90% |
| Мощность, потребляемая от сети, не боле | 15 В |
| Ток потребления от аккумуляторной батареи в дежурном режиме (при отсутствии внешних потребителей), не боле | 115 м |
| Габаритные размер | 290х210х95 м |
| Срок службы, не мене | 10 ле |
| Производитель (справочник) | Сибирский Арсенал |
| Тип устройства (Охранные приборы) | охранно-пожарный |
| Кол-во входных зон (Охранные приборы) | 12 вх. зон |
| Оповещение при тревоге (Охранные приборы) |
|
| Постановка/снятие с охраны (Охранные приборы) | Touch memory/кнопка |
| АКБ в комплекте (Охранные приборы) | нет |
| Резервный АКБ (Охранные приборы) | 7 А/ч |
| Релейные выходы (Охранные приборы) | 2 реле |
| Напряжение на вх. зонах (Охранные приборы) | 17,5-20,5 В |
| Напряжение питания (Охранные приборы) | 187-242 В |
| WEB-интерфейс (Охранные приборы) | есть |
| Рабочая температура (Охранные приборы) | -30 ... +50°С |
| Другие хар-ки (Охранные приборы) |
|
| Артикул | 4224 |
| Артикул производителя | Гранит-12 с IP-регистратором событий |
-
Alecs A. (Москва)
2022-03-31 ★ ★ ★ ★ ★
Достоинства: Широкий выбор, приемлемые цены.
Недостатки: Нет.
Комментарий: Отличный интернет магазин. Покупал здесь камеры видеонаблюдения. Проблем небыло. Хорошее качество, буду покупать здесь ещё.
Для всех приобретений, сделанных на нашем сайте, оплата может быть произведена:
- наличными в офисе компании;
- наличными при получении заказа от курьера;
- банковским переводом с расчетного счета покупателя на наш расчетный счет;
- в рассрочку (условия по ссылке);
- денежным переводом через отделения "Сбербанк" или другие банки (о размере комиссии, удерживаемой с плательщика Вы можете узнать в ближайшем к Вам отделении).
Оплата производится в рублях по внутреннему курсу компании, который Вы можете уточнить, позвонив к нам в офис.
Для выполнения Вашего заказа, нам необходимо минимальное время на его обработку. Как правило, минимальное время составляет 24 часа, но в некоторых случаях оно может увеличиться из-за того, что заказ поступил ночью или в выходные или праздничные дни. Поэтому, мы просим Вас делать свои заказы заблаговременно. Дайте нам, пожалуйста, приблизительно 1-4 рабочих дня, чтобы мы могли качественно подготовить и отправить, а Вы получить Ваш заказ в кратчайший срок.
Способы доставки в Уфе:
1. Доставка по Москве и области товара до адреса без разгрузки:
- 1 зона - 400 р. до 50 кг
- 2 зона - 500 р. до 50 кг
- 3 зона - 650 р. до 50 кг
БЕСПЛАТНАЯ ДОСТАВКА внутри МКАД:
- при оплате счета более 100 т.р. - до 150 кг
- дополнительные 100 кг +100 р.
- дополнительно за МКАД +40р за 1км
Доставка до Транспортной Компании осуществляется бесплатно, а стоимость и сроки доставки до города Уфа согласно тарифам службы доставки.
Внимание: Доставка товара осуществляется "как есть" т.е. комплектация указана на странице с товаром. Все остальные дополнительные приспособления и сервисные услуги оплачиваются отдельно.
-
Как осуществляется доставка в регионы?
Товары нашего магазина доставляют покупателям транспортные компании: Россия — EMS Почта России, СПСР-экспресс, DHL; Белоруссия — M@M; Украина — Новая Почта.
-
Возможен ли самовывоз заказанного товара?
Вы можете самостоятельно забрать заказанные товары в наших магазинах.
-
В какие сроки я могу получить свой заказ?
Это зависит от его объема, а также от конструкции и прочих специфических особенностей приобретаемого оборудования. Как правило, техника доставляется в течение 3 дней, но в любом случае рекомендуется обсудить сроки ее доставки и прочие нюансы сотрудничества с нашим представителем.
-
Возможна ли доставка в регионы?
Да! Независимо от местонахождения покупателя, заказ будет ему доставлен по указанному адресу. Для отправки техники в регионы мы сотрудничаем с авторитетными транспортными компаниями, в числе которых «Грузовозофф», «ЖелДорЭкспедиция», «Байкал Сервис», «ПЭК», «ГруппСТ» и др.
-
Действует ли у вас система скидок?
Да! Вы можете дополнительно сэкономить за счет приобретения техники по сниженным ценам. Регулярно проводятся акции, информация о которых представлена в разделе «Акции».
-
Предоставляется ли гарантия, и если да, то на какой срок?
Вся продукция сертифицирована, ее технико-функциональные качества, рабочие характеристики и эксплуатационный потенциал подтверждены документально. Предоставляется длительная (12 месяцев) официальная гарантия.
-
Каковы расценки на монтаж, подключение, пусконаладку систем видеонаблюдения?
Это зависит от сложности и разветвленности системы, особенностей приобретенного оборудования, специфики объекта и иных факторов. Несмотря на то, что наша компания не занимается монтажом систем видеонаблюдения, мы можем предоставить контакты организации, оказывающей данные услуги качественно, профессионально и быстро.
-
Могу ли я обратиться к вам для монтажа оборудования, приобретенного в другом месте?
Да, но заниматься этим будет не наша компания (мы не оказываем такие услуги), а другая организация, контакты которой мы предоставим. Это солидное, уважаемое предприятие, которое профессионально занимается данным видом деятельности и проводит полный спектр работ по монтажу, подключению, настройке и пусконаладке систем любой специфики и сложности.
-
Сколько стоит монтаж?
На этот вопрос ответят представители специализированной организации, контакты которой Вам предоставят наши менеджеры. В любом случае многое зависит от конфигурации оборудования, сложности системы, специфики конкретного объекта и прочих нюансов.
-
Если я приобрету у вас товар, могут ли ваши специалисты заодно переделать монтаж, выполненный предыдущими исполнителями?
Данный вопрос крайне сложен и требует индивидуального рассмотрения. В принципе, такая возможность существует, однако многое будет зависеть от того, кто и как производил монтаж, насколько соблюдены действующие в данной сфере регламенты, технологии и стандарты, какая аппаратура использовалась и т. д.
За последнее время товаром интересовалось 5989 человек.



